효성모터 부착형

  • 고품질 저소음 기어드모터
  • NK PLUS MOTOR (남강 자사모터), 효성모터, 하이젠모터 적용
  • IEC 플랜지, 라인파워 타입 등으로 다양한 활용 가능
  • 고강성. 고토크
  • 빠른 납기 및 철저한 AS
  • 뛰어난 효율 및 내구성
번호 제품명 모델명 감속비 용량 2D CAD PDF 3D CAD 비고
81 15KW NH300 40~60 20HP 2D CAD PDF 수평
82 15KW NH350 75~120 20HP 2D CAD PDF 수평
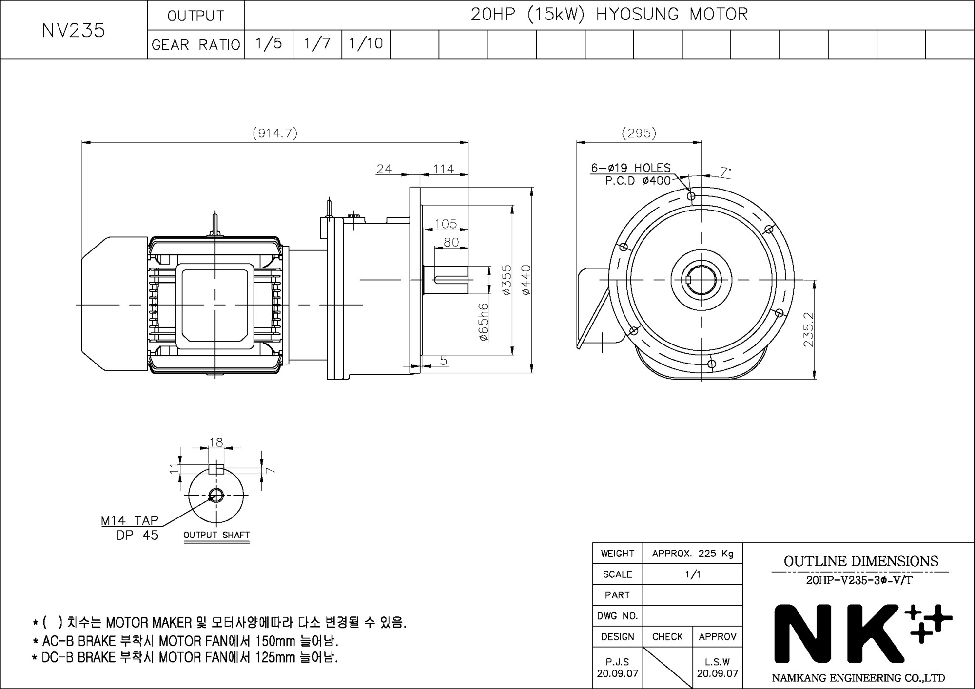
83 15KW NV235 5~10 20HP 2D CAD PDF 수직
84 15KW NV270 15~30 20HP 2D CAD PDF 수직
85 15KW NV300 40~60 20HP 2D CAD PDF 수직
86 15KW NV350 75~120 20HP 2D CAD PDF 수직
87 18.5KW NH300 5~30 25HP 2D CAD PDF 수평
88 18.5KW NH350 40~60 25HP 2D CAD PDF 수평
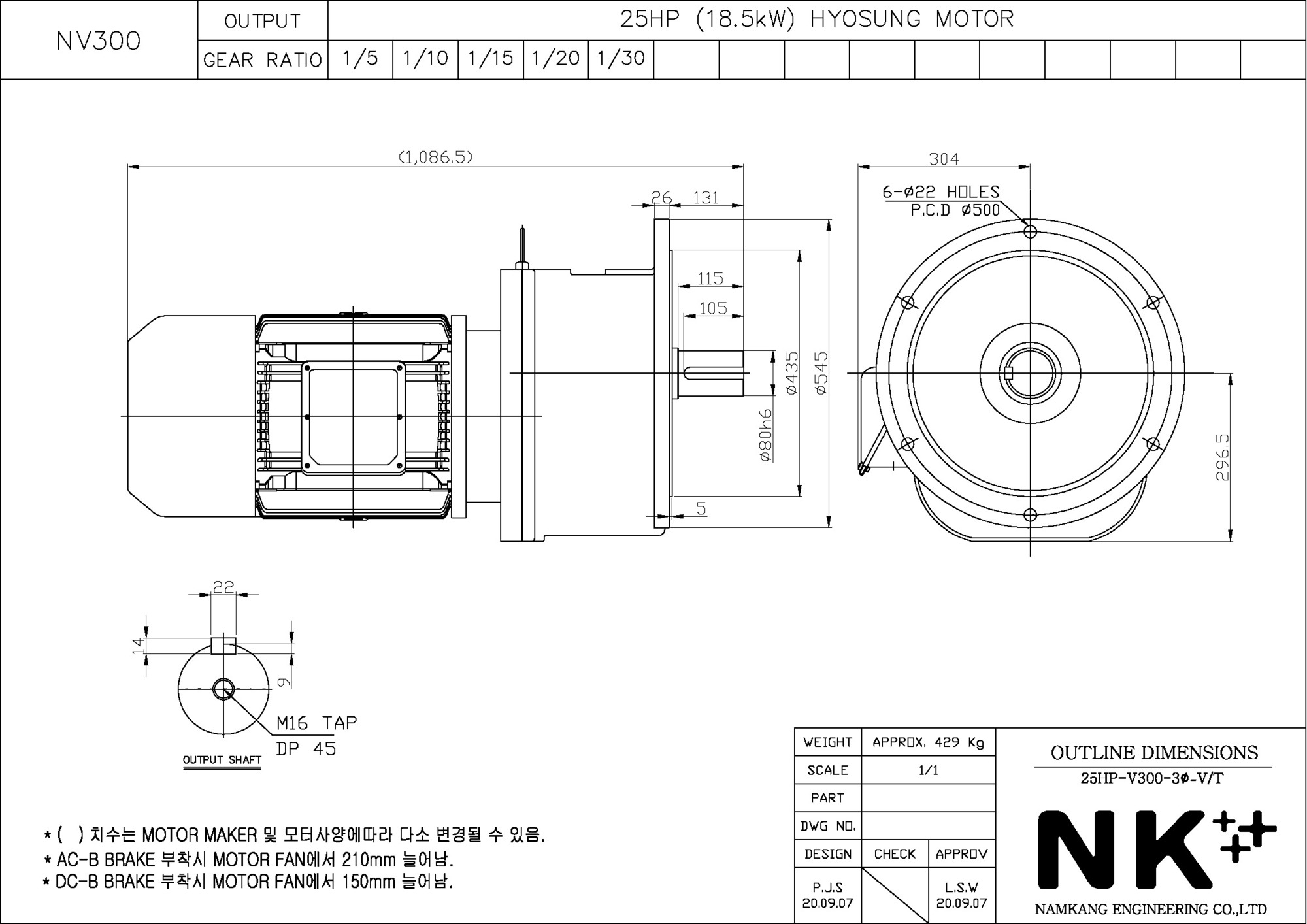
89 18.5KW NV300 5~30 25HP 2D CAD PDF 수직
90 18.5KW NV350 40~60 25HP 2D CAD PDF 수직
91 22KW NH300 5~30 30HP 2D CAD PDF 수평
92 22KW NH350 40~60 30HP 2D CAD PDF 수평
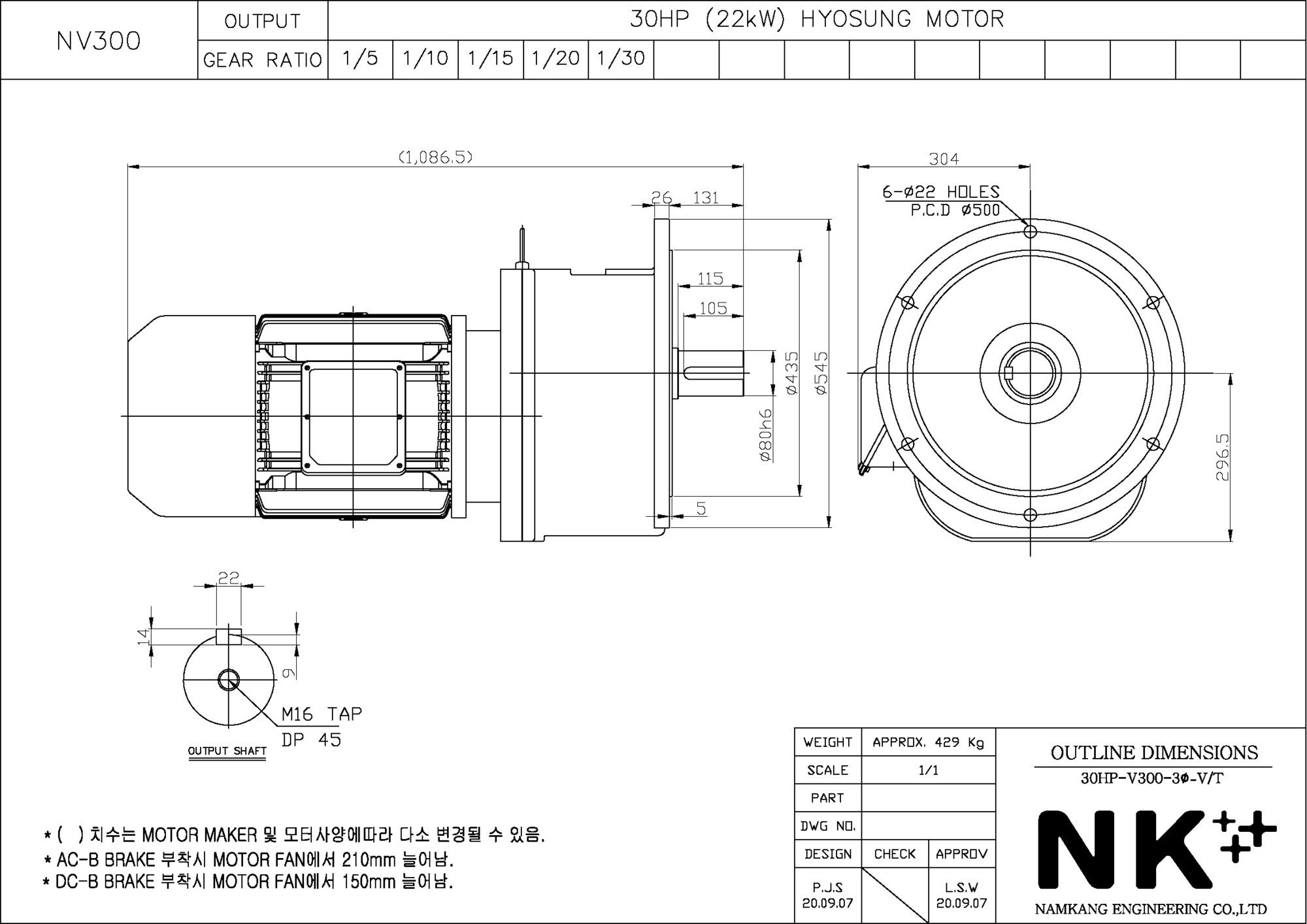
93 22KW NV300 5~30 30HP 2D CAD PDF 수직
94 22KW NV350 40~60 30HP 2D CAD PDF 수직